Szukaj FAQ Album



Autor Wiadomo¶æ
magdaania 
Wys³any: 2015-01-16, 15:31   Instalacja powietrza/ weryfikacja ew. b³êdów w projekcie
0
UP DOWN

Pomóg³: 1 raz
Posty: 52
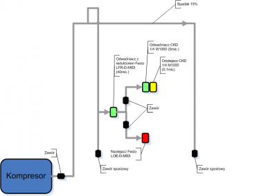
No wiêc przygotowuje sobie w domu instalacjê powietrza (gdzie¶ na forum widzia³em kiedy¶ podobny schemat...) i mam pro¶bê o weryfikacjê czy w projektowaniu nie pope³ni³em b³êdów. Kompresor bêdzie sta³ w kot³owni a instalacja bêdzie wyprowadzona do gara¿u (obydwa pomieszczenia s± w bryle budynku i dzieli je tylko ¶ciana, w kot³owni jest ciep³o sucho i czysto, w gara¿u ok. 18 stopni).
Instalacja ma mieæ jedno wyj¶cie do pistoletu lakierniczego i jedno do narzêdzi pneumatycznych (do pneumatyki dam ewentualnie jaki¶ trójnik za naolejaczem je¶li potrzebne by³yby mi dwa wyj¶cia, ale póki co nie przewiduje).
Ca³o¶æ sprzêtu ju¿ zakupi³em zosta³y mi tylko rury do instalacji. Instalacja oparta bêdzie o rury PCV o przekroju wewnêtrznym ok. 16mm. D³ugo¶æ ca³ej instalacji (sztywnej) nie powinna przekroczyæ 5-7 metrów bo tak jak pisa³em pomieszczenia s± obok siebie.
Czy dziêki takiemu rozwi±zaniu uda mi siê unikn±æ problemów przy lakierowaniu?

PS. Zaznaczam ¿e wykorzystanie czysto hobbystyczne ale ma dzia³aæ bardzo dobrze.

Bez tytu³u.png
Plik ¶ci±gniêto 137 raz(y) 24.9 KB

 

KK 
Wys³any: 2015-01-16, 21:27   
0
UP DOWN


Pomóg³: 23 razy
Posty: 3347
Powinno byæ wszystko dobrze.
_________________

 
 

LAKIEROWANKO Strona G³ówna » LAKIERNICTWO SAMOCHODOWE » Warsztat

Odpowiedz do tematu  
Nie mo¿esz pisaæ nowych tematów
Nie mo¿esz odpowiadaæ w tematach
Nie mo¿esz zmieniaæ swoich postów
Nie mo¿esz usuwaæ swoich postów
Nie mo¿esz g³osowaæ w ankietach
Nie mo¿esz za³±czaæ plików na tym forum
Mo¿esz ¶ci±gaæ za³±czniki na tym forum
Skocz do: 

Powered by phpBB modified by Przemo © 2003 phpBB Group